Opgave
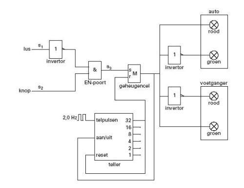
Margriet wil een automatische schakeling ontwerpen voor de verkeerslichten bij een oversteekplaats voor voetgangers. Om de schakeling zo eenvoudig mogelijk te houden, laat ze het oranje verkeerslicht voor auto’s weg. Als er geen voetganger is, staat het verkeerslicht voor voetgangers op rood en dat voor auto’s op groen. Als een voetganger wil oversteken, moet hij op een knop drukken. Als er op dat moment geen auto’s in de buurt zijn, springt zijn licht op groen en dat voor de auto’s tegelijkertijd op rood. In figuur 8 is een eerste opzet getekend van de schakeling waarmee Margriet deze situatie op systeemborden nabootst. Het signaal S1 komt van een lange lus in het wegdek. De lus is zo aangelegd dat S1 hoog is als een of meer auto’s de oversteekplaats naderen; als er geen auto nadert, is S1 laag. Het signaal S2 komt van de drukknop voor de voetgangers. S2 is hoog zo lang er op de knop wordt gedrukt; als er niet op de knop wordt gedrukt, is S2 laag.
Op een bepaald moment komt een voetganger bij de oversteekplaats terwijl er geen auto in de buurt is. Het licht voor de voetgangers staat dus op rood en dat voor de auto’s op groen. De voetganger drukt op de knop.
a) Leg met behulp van de schakeling in figuur 8 uit waarom het licht voor de voetgangers nu op groen springt en dat voor de auto's op rood.
De voetganger moet 16 seconde de tijd krijgen om over te steken. Daarvoor wil Margriet de schakeling uitbreiden met een teller. Zie de figuur op de uitwerkbijlage.
Op de teller is een pulsgenerator aangesloten. De pulsfrequentie is 2,0 Hz. De teller moet zo worden gereset dat voor een volgende voetganger dezelfde startsituatie ontstaat.
b) Teken in de figuur op de uitwerkbijlage alle noodzakelijke verbindingsdraden.
Een automobilist die het stoplicht voor auto’s op rood ziet springen, moet voldoende tijd hebben om te remmen. Daarom moet het begin van de lus op voldoende grote afstand van het stoplicht liggen. Maar ook dan is de schakeling die Margriet heeft ontworpen nogal voetgangeronvriendelijk.
c) Noem twee nadelen van dit ontwerp voor de voetgangers die willen oversteken.
Uitwerkingen vraag (a)
- Als er geen auto nadert, is S1 laag en de uitgang van de invertor dus hoog. Omdat S2 hoog is, zijn beide ingangen van de EN-poort hoog en is dus ook de uitgang hoog. Hierdoor wordt de uitgang van de geheugencel hoog en springt het licht voor de voetgangers op groen en dat voor de auto’s op rood. (De invertors vóór het rode licht van de voetgangers en het groene licht voor de auto’s zorgen ervoor dat deze lichten uitgaan.)
Uitwerkingen vraag (b)
Uitwerking
Uitwerkingen vraag (c)
- Het voetgangerslicht springt niet op groen zolang er auto’s naderen/passeren (dus bij druk autoverkeer is oversteken onmogelijk).
- Als het voetgangerslicht op rood springt, springt het licht voor de auto’s meteen op groen (dus een voetganger die tegen het einde van de periode van 16 s wil oversteken, loopt gevaar).
- Als een voetganger op de knop drukt terwijl een auto nadert, heeft zijn handeling geen gevolg (dus moet hij later opnieuw drukken).