Opgave
Bij een bepaald type auto bestaat de binnenverlichting uit twee parallel geschakelde lampjes. De lampjes zijn aangesloten op een 12 V-accu van de auto. Elk lampje heeft die spanning een vermogen van 5,0 W.
a) Bereken de weerstand die een lampje dan heeft.
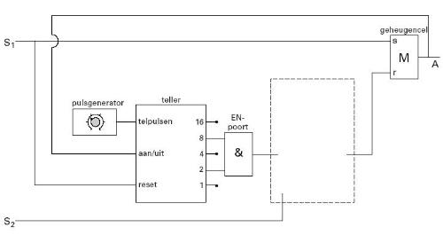
Bij het openen van een deur van deze auto gaat de binnenverlichting aan. Na het sluiten van de deur gaat de binnenverlichting niet meteen uit. Dit gebeurt pas na enige tijd. Hiervoor gebruikt men een schakeling met verwerkers. Zie figuur 1. Het ingangssignaal bij S1 is alleen hoog bij geopende deur. De binnenverlichting brandt als het uitgangssignaal in A hoog is.
De teller begint te tellen vanaf het moment dat de deur gesloten wordt.
b) Leg met behulp van figuur 1 uit dat de teller op dat moment begint te tellen.
De binnenverlichting gaat uit als de teller op 10 staat.
c) Leg dat uit met behulp van figuur 1.
De tijd dat de binnenverlichting aan blijft, kan men instellen met behulp van de pulsgenerator. Om de binnenverlichting na 7,0 s te laten uitgaan, moet de pulsgenerator op een bepaalde frequentie worden ingesteld.
d) Bereken deze frequentie.
Het nut van de wachttijd van zeven seconden is dat de bestuurder na het sluiten van de deur niet in het donker zit wanneer hij de sleutel in het contact steekt. Na het starten van de auto hoeft de binnenverlichting niet meer aan te blijven. Om te bereiken dat de binnenverlichting meteen na het starten van de motor uitgaat, moet de schakeling van figuur 1 iets worden aangepast. Zie figuur 2.
Als de bestuurder de auto start, wordt het ingangssignaal bij S2 hoog. Figuur 2 staat ook op de bijlage.
e) Maak de schakeling in de figuur op de bijlage af door in de met een streepjeslijn aangegeven rechthoek een of meer verwerkers en de noodzakelijke verbindingen te tekenen.
Uitwerking vraag (a)
• P= U*I
• P/U= I
• I= P/U=5,0/12=0,417 A
• V= I*R
• R= V/I=12/0,417=29 Ω
Uitwerking vraag (b)
• Op het moment dat de deur dichtgaat wordt het signaal bij S1 laag en wordt de teller niet meer gerest.
• Omdat de uitgang van de geheugencel hoog blijft en dus ook de aan/uit-ingang van de teller hoog blijft , begint de teller op dat moment te tellen.
Uitwerking vraag (c)
• Als de teller op 10 staat, wordt de uitgang van de EN-poort hoog. Omdat de set van de geheugencel laag is en M wordt gereset, wordt A laag en gaat de binnenverlichting uit.
Uitwerking vraag (d)
• In 7 s telt de teller tot tien.
• f=10/7=1,4 Hz
Uitwerking vraag (e)
• Een OF-poort zorgt ervoor dat als de auto start, de geheugencel ook gereset wordt. Hierdoor gaat (als de deur dicht zit) de binnenverlichting uit