Lees het onderstaande krantenartikel.
De temperatuur van het water wordt gemeten met een temperatuursensor, waarvan de ijkgrafiek gegeven is in figuur 1.
Opgaven
a) Bepaal de gevoeligheid van deze temperatuursensor.
Het automatisch systeem heeft als uitvoer (actuator) een relais dat het elektrisch verwarmingslint kan in- en uitschakelen.
Het automatisch systeem moet voldoen aan de onderstaande eisen.
Het verwarmingslint wordt:
- Ingeschakeld als de temperatuur lager is dan 60 °C
- uitgeschakeld als: de temperatuur langer dan tien minuten achtereen hoger is dan 60 °C, óf de temperatuur eenmalig hoger is dan 92 °C.
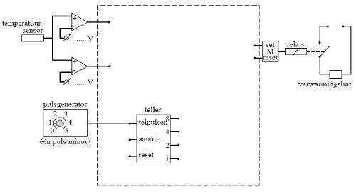
De tijd wordt geregeld door een pulsgenerator die één puls per minuut afgeeft. In figuur 2 staat een deel van een ontwerp van dit automatisch systeem.
b) Maak in figuur 2 het ontwerp compleet zodat het aan de gestelde eisen voldoet. Geef ook de referentiespanningen van de beide comparatoren aan.
Het verwarmingslint bestaat uit twee koperen draadgeleiders.
Tussen deze geleiders staat de netspanning van 230 V.
Om de draadgeleiders is weerstandsdraad gewikkeld. Zie figuur 3.
Deze weerstandsdraad maakt steeds elektrisch contact met beide draadgeleiders. Hierdoor ontstaat een parallelschakeling zoals schematisch weergegeven in figuur 4.
Zo ontstaan n parallelle weerstanden per meter verwarmingslint, elk met een waarde R = 10 kOhm.
Het verwarmingslint heeft per meter een vermogen van 180 W.
c) Bereken het aantal parallelle weerstanden n in 1,00 m verwarmingslint.
Hint: Bereken daartoe eerst de stroom door 1,00 m verwarmingslint en daarna de stroom die door één weerstand loopt.
Het verwarmingslint is leverbaar in verschillende lengtes.
d) Bereken hoe lang het verwarmingslint maximaal mag zijn als de gebruikte groep een smeltveiligheid van 16 A heeft.
Uitwerkingen
Open het antwoord op de vraag van jouw keuze.
Uitwerking vraag (a)
De gevoeligheid is in dit geval de steilheid van de grafiek: hoeveel neemt de spanning toe als de temperatuur met één graden Celsius toeneemt?
Deze kunnen we berekenen: de gevoeligheid = ∆U/∆T = (3,0 - 0,5)/(110 - 10) = 0,025 V/°C
Uitwerking vraag (b)
Er zijn twee referentiepunten waarbij er 'iets' moet gebeuren: bij 60 °C en bij 92 °C. De temperatuur kunnen we vergelijken met deze twee temperaturen m.b.v. comparatoren. Wel moeten we deze temperaturen eerst omzetten naar de bijbehorende spanning, die we in de grafiek kunnen aflezen.
Bij 60 °C hoort een spanning van ongeveer 1,75 V en bij 92 °C hoort 2,55 V. Deze getallen moeten dus bij de comparatoren worden ingevuld. Zie figuur 5 hieronder.
Het verwarmingslint moet worden in geschakeld als de temperatuur lager is dan 60 °C. De uitgang van de comparator moet naar een invertor, zodat er uiteindelijk een positief signaal uitkomt als de temperatuur lager is dan 60 °C i.p.v. hoger. Dit signaal kan nu naar de geheugencel die naar het relais leidt. Als de temperatuur nu lager is dan 60 °C zal het relais de schakelaar sluiten en zal de verwarming aan gaan.
Nu moeten we nog zorgen dat hij wordt uitgeschakeld als het langer dan 10 minuten aanstaat óf als de temperatuur hoger is dan 92 °C. Hiervoor kunnen we de uitgang van de tweede comparator verbinden met een OF-poort, samen met de uitgang van de teller. Deze teller moeten we nog goed instellen, zodat hij na tien minuten een signaal geeft. Iedere minuut geeft de pulsgenerator één puls, dus we willen dat de teller tot tien telt. Dit is 8 + 2, dus die uitgangen moeten we optellen met een EN-poort.
Er moet nu nog één ding gebeuren: als de temperatuur lager is dan 60 °C, moet de teller op nieuw beginnen met tellen, dus het signaal van de eerste comparator moet worden verbonden met een invertor en dan naar de resetknop van de teller gaan. Als de temperatuur lager is dan 60 °C, zal de verwarming namelijk aangaan, en na 10 minuten zal de teller aangeven dat hij weer uitgezet moet worden. Nu is aan alle eisen voldaan.
figuur 5
Uitwerking vraag (c)
Om het aantal weerstanden in één meter te berekenen, kunnen we de stroom in één meter en in één weerstand berekenen en deze op elkaar delen.
De stroom in één meter kunnen we berekenen met de formule: P = UI, dus I = P/U = 180 W/230 V = 0,783 A.
De stroom door één weerstand berekenen we met: U = IR, dus I = U/R = 230* V/(10 · 103) = 0,023 A.
Het aantal weerstanden is nu gelijk aan de totale stroom gedeeld door de stroom van één weerstand: 0,783/0,023 = 34 weerstanden in één meter.
* In parallelle schakelingen is de spanning over alle weerstanden gelijk, in dit geval is dat dus overal 230 V. De stroom in parallelle schakelingen moet over alle weerstanden worden opgeteld, in dit geval is dat dus per weerstand 0,023 A en in totaal 34 ·0,023 A = 0,783 A.
Uitwerking vraag (d)
De stroom mag niet hoger zijn dan 16 A in totaal. Per meter hebben we 0,783 A (berekend bij c), dus de maximale lengte is: 16/0,783 = 20,4 m. Afgerond op het juiste aantal significante cijfers komt dat op l = 16 m.