Opgave
De kachel op de foto hieronder is een zogenaamde nachtstroomkachel. Deze kachel bestaat uit grote blokken speksteen die door een elektrisch verwarmingselement van binnenuit worden opgewarmd. Het opwarmen gebeurt ’s nachts omdat elektrische energie dan goedkoper is. Overdag geven de stenen hun warmte langzaam weer af.
Het verwarmingselement van de afgebeelde kachel heeft een vermogen van 5,6 kW. Het verwarmen van de stenen duurt gemiddeld 4,0 uur. Per jaar gebeurt dat zo’n 200 keer. Een kWh kost ’s nachts € 0,11.
a) Bereken de energiekosten in een jaar voor deze kachel.
De massa van de spekstenen van de afgebeelde kachel is 700 kg.
In de eerste 30 minuten stijgt de temperatuur van de spekstenen met 12 °C.
Je mag aannemen dat dan alle warmte door de stenen is opgenomen en er nog geen warmte aan de omgeving is afgestaan.
b) Bereken de soortelijke warmte van speksteen.
Als de temperatuur van de stenen 80 °C is, wordt deze temperatuur gehandhaafd totdat de nachtstroomperiode eindigt. De stenen koelen daarna af.
In onderstaand figuur is het temperatuurverloop van de stenen weergegeven.
Het afkoelen van de spekstenen is op drie manieren getekend.
c) Leg uit welke van deze grafieken (A, B of C) hoort bij het afkoelen van de stenen.
De temperatuur van de stenen wordt gemeten met een temperatuursensor. De ijkgrafiek van deze sensor staan in figuur 3 weergegeven.
d) Bepaal de gevoeligheid van de sensor bij een temperatuur van 80 °C.
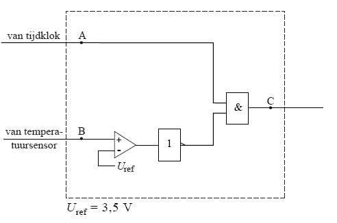
In figuur 4 is een begin gemaakt met een schakeling die het verwarmingselement automatisch in- en uitschakelt.
Op A is een tijdklok aangesloten.
Het signaal bij A is hoog zolang als er elektrische energie wordt geleverd tegen nachttarief. Op B is de temperatuursensor aangesloten.
Op C is het verwarmingselement aangesloten. Het verwarmingselement is alleen aan als het signaal bij C hoog is.
Aan de schakeling stelt men de volgende eisen.
- Als er geen elektrische energie geleverd wordt tegen nachttarief moet het verwarmingselement uit blijven.
- Als er wel elektrische energie tegen nachttarief wordt geleverd, moet het verwarmingselement alleen aan zijn wanneer de temperatuur lager is dan 80 °C.
De schakeling zorgt er ook voor dat, wanneer de temperatuur van 80 °C bereikt is, deze constant gehouden wordt totdat de nachtstroomperiode eindigt.
Teken in figuur 4 de noodzakelijke verwerkers en hun verbindingen. Geef ook aan op welke waarde de referentiespanning moet worden ingesteld.
Uitwerking vraag (a)
De energie wordt gegeven door het vermogen vermenigvuldigt met de tijd:
E = P*t In dit geval geldt: P = 5,6 kW
t = 200 * 4,0 = 800 uur
In totaal wordt er dus gebruikt:
E = 5,6 * 800 = 4,48 * 103 kWh
Tegen een prijs van €0,11 per kWh zijn de totale kosten dus: 4,48 * 103 * 0,11 = € 4,9 * 102
Uitwerking vraag (b)
De warmte die stenen opnemen wordt gegeven door:
Q = c*m*ΔT
In dit geval geldt voor de warmte:
Q = P*t = 5,6 * 103 * 30 * 60 = 1,01 * 107 J
Samen met de gegeven waardes voor de massa (m = 700 kg) en het verschil in temperatuur (ΔT = 12 °C), kan c berekend worden:
c = Q / m*ΔT = 1,01 * 107 / (700 * 12) = 1,2 * 103 J kg-1K-1
Uitwerking vraag (c)
Als het temperatuursverschil met de omgeving groter is, geven de stenen meer warmte af. In het begin is dit temperatuursverschil maximaal, dus moet de grafiek in het begin het snelste dalen. Grafiek C hoort dus bij het afkoelen van de stenen.
Uitwerking vraag (d)
De gevoeligheid van de sensor is gelijk aan de helling van de grafiek. De grafiek is in het middelste gedeelte geheel lineair. Om de helling van de grafiek voor T = 80 °C te bepalen kan het verschil in voltage tussen T = 30°C en T = 90°C gebruikt worden:
gevoeligheid = (4,0 - 0,8) / (90 - 30) = 5,3 * 10-2 V/°C
Uitwerking vraag (e)
Het verwarmingselement moet pas in werking treden als de temperatuur lager is dan 80 °C. In figuur 3 kan afgelezen worden dat de sensor voor 80 °C een waarde van 3,5 V geeft. De referentiespanning moet dus 3,5 V zijn.
De comperator geeft nu signaal als het voltage groter is dan 3,5 V. Het verwarmingselement moet echter pas in werking treden als dit signaal lager is. Er dient dus een invertor achter de comperator geplaatst te worden.
Vervolgens moet het verwarmingselement aangaan als zowel het signaal bij A hoog is (dan wordt er immers elektrische energie geleverd tegen nachttarief) als het signaal uit de invertor hoog is. Deze 2 moeten dus met een EN-poort verbonden worden.
Dit alles samen geeft het volgende resultaat:
figuur 5