Van deze opgave bestaan twee versies, een natuurkunde 1 versie en een natuurkunde 12 versie. De versie die je nu voor je hebt is de natuurkunde 1 versie. In grote lijnen komen de twee versies met elkaar overeen maar volledig identiek zijn ze niet.
In toiletten van openbare gebouwen hangen vaak automatische handdrogers. Zie figuur 1. Wanneer je je handen onder zo’n apparaat houdt, blaast het warme lucht langs je handen. In het apparaat zit een verwarmingselement, een ventilator en een infraroodsensor.
Een bepaald type automatische handdroger verwarmt 55 liter lucht per seconde. De massa van 1,0 m3 van deze lucht is 1,2 kg.
Opgaven
a) Toon aan dat de lucht die per seconde verwarmd wordt een massa heeft van 0,066 kg.
Bij een kamertemperatuur van 20 °C moet de uitstromende lucht een temperatuur hebben van 50 °C. Om dat te realiseren, kan de fabrikant kiezen uit verwarmingselementen met de volgende vermogens: 1000 W, 1500 W, 2000 W en 2500 W.
b) Welk verwarmingselement is het meest geschikt? Licht je antwoord toe met een berekening.
De handdroger start automatisch wanneer iemand zijn handen onder het apparaat houdt. Dit wordt geregistreerd door een infraroodsensor. Figuur 2 is de ijkgrafiek van deze sensor.
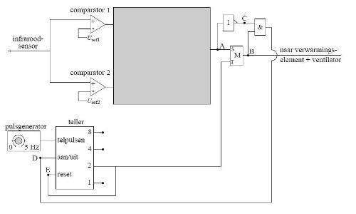
Als deze persoon zijn handen onder de handdroger weghaalt, slaat het apparaat automatisch af. In figuur 3 is een begin gemaakt met een deel van deze automatische schakeling. Het signaal bij A is hoog zolang als de handen zich op een afstand van meer dan 15 cm en minder dan 30 cm van het apparaat bevinden.
c) Maak de schakeling in figuur 3 compleet. Geef ook aan hoe groot de referentiespanning is van elke comparator.
In werkelijkheid blijft de handdroger nog 2 s aan nadat de handen zijn weggehaald. Daarvoor moet men de schakeling van figuur 3 uitbreiden. Zie figuur 4.
In de grijze rechthoek bevindt zich de schakeling die bij de vorige vraag is ontworpen. (Voor het vervolg van deze vraag is het niet van belang of je in de grijze rechthoek de juiste verwerkers hebt aangebracht.) In figuur 5 staat een tabel.
d) Voer de volgende opdrachten uit:
- Zet in de tabel een 0 of een 1 bij de punten B, C, en D voor de situatie dat de persoon net zijn handen voor de droger heeft weggehaald. In de tabel is bij de punten A en E al de juiste waarde ingevuld.
- Leg uit dat 2 s later de handdroger automatisch afslaat.
In een toilet hangen twee handdrogers van een ander type dan hiervoor besproken. Iedere handdroger heeft een elektrisch vermogen van 1750 W. Ze zijn aangesloten op één groep waarop geen andere apparaten zijn aangesloten. In deze groep zit een zekering met een maximale stroomsterkte van 16 A. De netspanning is 230 V.
Op een gegeven moment zijn beide handdrogers in gebruik.
e) Controleer met een berekening of de zekering voldoet.
Uitwerkingen
Open het antwoord op de vraag van jouw keuze.
Uitwerking vraag (a)
1 m3 is gelijk aan 1000 dm3 = 1000 liter. Dus 1000 liter heeft een massa van 1,2 kg. Het apparaat verwarmt 55 liter. Dit komt dus overeen met een massa van 1,2 · 55 / 1000 = 0,066 kg.
Uitwerking vraag (b)
Om lucht te verwarmen is een bepaalde hoeveelheid energie nodig, namelijk:
Q = mc∆T. Deze energie kunnen we berekenen en vergelijken met de mogelijke vermogens om te zien welke het beste is.
m = 0,066 kg; c = 1,0·103 J/(kgK); ∆T = 50 - 20 = 30 K. Alles invullen geeft:
Q = 2,0·103 J. Als dit de energie per seconde is, dan komt dit overeen met een vermogen van 2000 W.
Uitwerking vraag (c)
We willen een hoog signaal krijgen als de handen minstens 15 cm er vanaf zijn en maximaal 30 cm. In figuur 2 kunnen we aflezen met welke spanningen deze afstanden overeen komen. 15 cm komt overeen met Vmax = 2,8 V en 30 cm met Vmin = 0,7 V. De spanning moet tussen deze twee waarden inliggen om een hoog signaal te krijgen. Eén comparator vergelijkt de spanning dus met 2,8 V en de andere met 0,7 V. We willen een hoog signaal als de spanning groter is dan 0,7 V en als het lager is dan 2,8 V. Daarom moeten we na de comparator van de 2,8 V nog een invertor gebruiken om het signaal om te keren (zie figuur 6). Tot slot gebruiken we nog een EN-poort, die ervoor zorgt dat er alleen een hoog signaal doorkomt, als beide ingangen hoog zijn.
figuur 6
Uitwerking vraag (d)
figuur 7
Als de persoon zijn handen net heeft weggehaald, is het signaal bij A nul. Dit betekent dat C één is, vanwege de invertor na A.
Daarnaast weten we iets over B: de handen zijn pas net weggehaald (minder dan 2 seconden), dus de geheugencel is nog niet gereset. Dit betekent dat de geheugencel nog een hoog signaal doorgeeft van toen de handen er nog wel waren. Bij B is het signaal dus ook één. Pas na twee seconden wordt de geheugencel gereset. Omdat B en C allebei één zijn, komt er dus een hoog signaal door de EN-poort. Dit betekent dat ook bij D er een hoog signaal is.
Als de persoon zijn handen weghaalt en twee seconden wacht, dan wordt de geheugencel gereset en is signaal B dus nul. Dit betekent dat het signaal dat uit de EN-poort komt ook nul is, dus signaal D is ook nul. Als D nul is, wordt de handdroger uitgezet.
Uitwerking vraag (e)
Het totale vermogen is Ptot = P1 + P2 = 1750 + 1750 = 3500 W. De spanning die erop staat is 230 V.
De stroom die door de groep loopt is dus I = Ptot/U = 3500 / 230 = 15,2 A. Dit is minder dan 16 A, dus de zekering kan het aan.